You are here:
- Home
- Hidrolik
- Yardımcı Valfler
- Hat Tipi Yardımcı Valfler
- BASINÇ EMNİYET VALFLERİ (OMT)
Product code: N/A
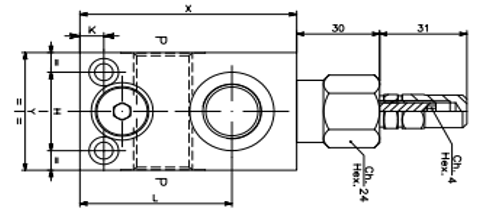
BASINÇ EMNİYET VALFLERİ (OMT)
Sistemin ihtiyacına ilişkin olarak farklı modeller mevcuttur.
Farklı diş ölçüleri mevcuttur. Ürünlerin ortalama basınç değeri maksimum 250-350 bar arasındadır. Farklılık gösterebilir. ÜRÜN KATALOĞU İNDİR
Description
Characteristics
No Reviews
Description
| ÜRÜN KODU | PORT | MAX.DEBİ | MAKS.BASINÇ | BASINÇ AYAR ARALIĞI | |
| O001 N02.001.CX0.A | 1/4″ | 30 | 350 | 10-180 | |
| O001 N02.003.CX0.A | 3/8″ | 45 | 350 | 10-180 | |
| O001 N02.004.CX0.A | 1/2″ | 60 | 350 | 10-180 | |
| O001 N02.005.CX0.A | 3/4″ | 150 | 350 | 10-180 | |
| O001 002.787.0X0.A | 1″ | 180 | 350 | 60-300 | |
Characteristics
No Reviews
“BASINÇ EMNİYET VALFLERİ (OMT)” için yorum yapan ilk kişi siz olun Yanıtı iptal et



























Değerlendirmeler
Henüz değerlendirme yapılmadı.